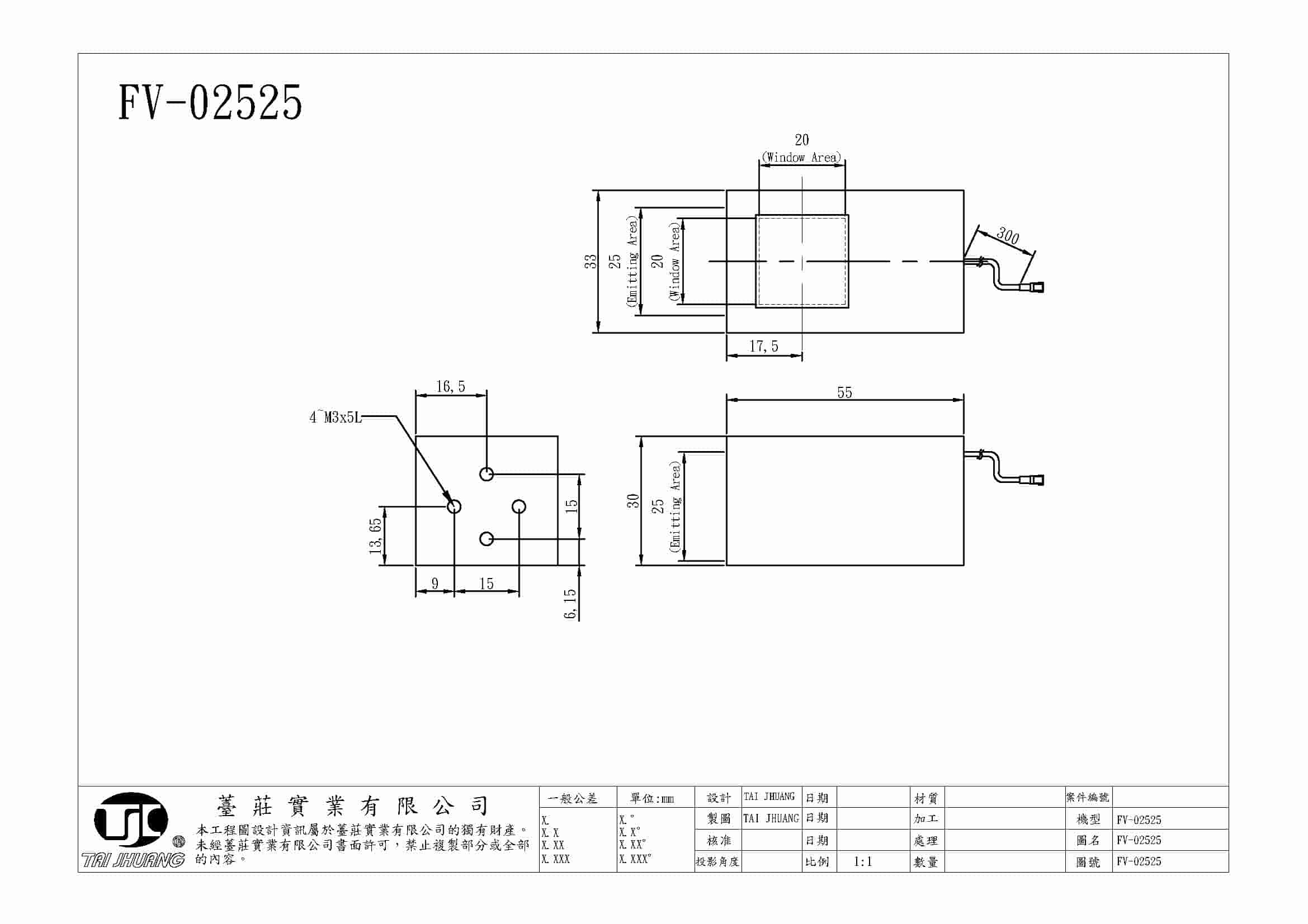
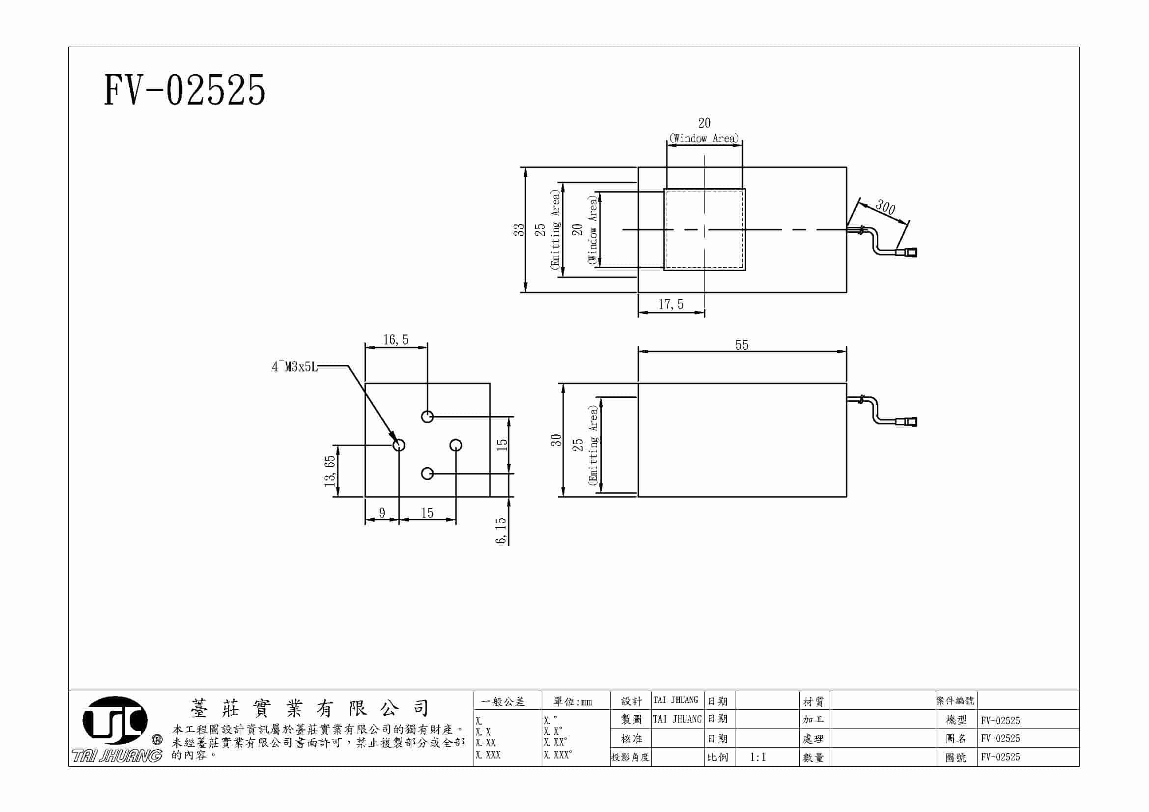
光源FV-02525

Free:每個皆附贈2M延長線

SKU: FV-02525 Category: