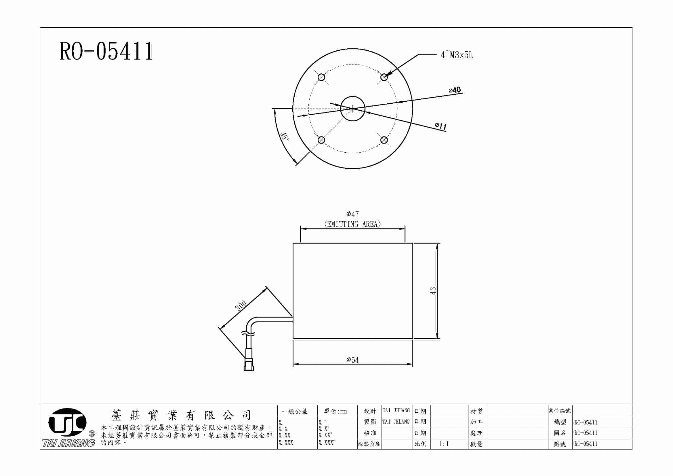
光源RO-05411

Free:每個皆附贈2M延長線

SKU: RO-05411 Category: